Caracteristici
-
Gama presiune
Joasa
-
Grad filtrare
0.01 μm
-
Material
Tehnopolimer
-
Standard
ROHS 2011/65/CE, REACH 1907/2006, PED 2014/68/UE
-
Temperatura maxima (
+50
-
Temperatura minima (
-10
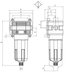
Date tehnice
|
Cod
|
Marime
|
Filet
|
L/min
|
A
|
B
|
C
|
D
|
E
|
F
|
H
|
I
|
J
|
K
|
L
|
O
|
P
|
Q
|
Purjare
|
|
|
1 |
1/4''-19 |
700 |
75.5 |
146 |
45 |
72 |
21 |
22.5 |
39 |
43 |
54 |
26 |
Ø X M4 |
26 |
32.5 |
1/8 |
M |
|
|
1 |
3/8''-19 |
700 |
75.5 |
146 |
45 |
72 |
21 |
22.5 |
39 |
43 |
54 |
26 |
Ø X M4 |
26 |
32.5 |
1/8 |
M |
|
|
2 |
1/2''-14 |
725 |
89 |
178.5 |
59 |
89 |
27.5 |
28.5 |
48 |
55 |
69 |
32.5 |
Ø X M5 |
32 |
38.5 |
1/8 |
M |
|
|
2 |
3/8''-19 |
725 |
89 |
178.5 |
59 |
89 |
27.5 |
28.5 |
48 |
55 |
69 |
32.5 |
Ø X M5 |
32 |
38.5 |
1/8 |
M |
|
|
3 |
3/4''-14 |
920 |
106 |
197.5 |
70 |
100 |
32.5 |
35 |
50 |
65 |
79 |
38 |
Ø X M6 |
38.5 |
45 |
1/8 |
M |
|
|
3 |
1''-11 |
920 |
111 |
197.5 |
70 |
100 |
32.5 |
35 |
50 |
65 |
79 |
38 |
Ø X M6 |
38.5 |
45 |
1/8 |
M |
×
❮
❯