Caracteristici
-
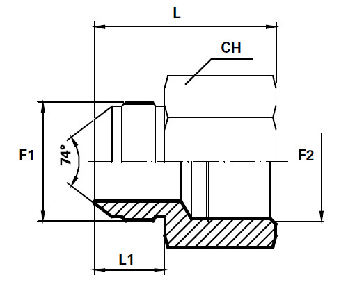
Conector 1
JIC filet exterior
-
Conector 2
BSPPfilet interior cilindric
-
Etansare 1
Con exterior 74°
-
Etansare 2
Pe suprafata
-
Finisare suprafata
Electro-galvanizare
-
Forma constructiva
Drept
-
Material
Otel
-
Tip Filet
BSPP
Date tehnice
|
Cod
|
Filet 1
|
Filet 2
|
PN (bar)
|
L
|
L1
|
CH
|
DN (mm)
|
|
|
7/16''-20 |
1/8''-28 |
345 |
30.0 |
14.0 |
14 |
- |
|
|
7/16''-20 |
1/4''-19 |
345 |
35.0 |
14.0 |
19 |
- |
|
|
1/2''-20 |
1/8''-28 |
345 |
30.0 |
14.0 |
14 |
- |
|
|
1/2''-20 |
1/4''-19 |
345 |
35.0 |
14.0 |
19 |
6 |
|
|
9/16''-18 |
1/4''-19 |
345 |
35.0 |
14.1 |
19 |
- |
|
|
9/16''-18 |
3/8''-19 |
310 |
36.0 |
14.1 |
22 |
- |
|
|
3/4''-16 |
1/4''-19 |
310 |
39.0 |
16.7 |
22 |
- |
|
|
3/4''-16 |
3/8''-19 |
310 |
39.0 |
16.7 |
22 |
- |
|
|
3/4''-16 |
1/2''-14 |
240 |
43.0 |
16.7 |
30 |
- |
|
|
7/8''-14 |
1/2''-14 |
240 |
45.5 |
19.3 |
30 |
- |
|
|
1.1/16''-12 |
1/2''-14 |
240 |
48.0 |
21.9 |
30 |
12 |
|
|
1.1/16''-12 |
3/4''-14 |
240 |
51.0 |
21.9 |
36 |
20 |
|
|
1.5/16''-12 |
1''-11 |
25 |
54.0 |
23.1 |
41 |
25 |
|
|
1.5/8''-12 |
1''-11 |
170 |
55.5 |
24.3 |
46 |
- |
|
|
1.5/8''-12 |
1.1/4''-11 |
170 |
60.5 |
24.3 |
50 |
- |
|
|
1.7/8''-12 |
1.1/4''-11 |
140 |
64.0 |
27.5 |
50 |
40 |
|
|
1.7/8''-12 |
1.1/2''-11 |
140 |
65.5 |
27.5 |
60 |
40 |
×
❮
❯