Caracteristici
-
Conector 1
JIC filet exterior
-
Conector 2
JIC filet exterior
-
Etansare 1
Con exterior 74°
-
Etansare 2
Con exterior 74°
-
Finisare suprafata
Electro-galvanizare
-
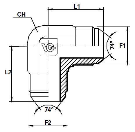
Forma constructiva
Cot 90°
-
Material
Otel
-
Tip Filet
JIC
Date tehnice
|
Cod
|
Filet 1
|
Filet 2
|
PN (bar)
|
L1
|
L2
|
CH
|
DN (mm)
|
|
|
7/16''-20 |
7/16''-20 |
345 |
23.5 |
23.5 |
14 |
- |
|
|
1/2''-14 |
1/2''-14 |
345 |
25.0 |
25.0 |
14 |
12 |
|
|
9/16''-18 |
9/16''-18 |
345 |
27.5 |
27.5 |
14 |
- |
|
|
3/4''-16 |
3/4''-16 |
310 |
32.0 |
32.0 |
19 |
- |
|
|
7/8''-14 |
7/8''-14 |
240 |
37.0 |
37.0 |
22 |
- |
|
|
1.1/16''-12 |
1.1/16''-12 |
240 |
42.0 |
42.0 |
27 |
20 |
|
|
1.5/16''-12 |
1.5/16''-12 |
25 |
46.0 |
46.0 |
33 |
25 |
|
|
1.5/8''-12 |
1.5/8''-12 |
170 |
52.5 |
52.5 |
41 |
- |
|
|
1.7/8''-12 |
1.7/8''-12 |
- |
- |
- |
- |
40 |
×
❮
❯