90° forjat filet exterior - interior rotitor | Stera Catalog

Printează

Caracteristici
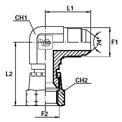
  • Conector 1 JIC filet exterior
  • Conector 2 JIC filet interior
  • Descriere Cot hidraulic forjat la 90° cu conexiune JIC, prevăzut cu filet interior rotitor, care permite orientarea liberă la montaj și elimină tensiunile din furtun sau sistem. Oferă etanșare sigură, montaj ușor și flexibilitate superioară față de variantele cu filet interior fix.
  • Etansare 1 Con exterior 74°
  • Etansare 2 Con interior 74°
  • Finisare suprafata Electro-galvanizare
  • Forma constructiva Cot 90°
  • Material Otel
  • Tip Filet JIC
Date tehnice
Cod Filet 1 Filet 2 PN (bar) L1 L2 CH DN (mm)
7/16''-20 7/16''-20 310 24.0 28.0 14 -
1/2''-14 1/2''-14 275 25.0 28.0 14 12
9/16''-18 9/16''-18 275 27.5 33.0 14 -
3/4''-16 3/4''-16 275 32.0 36.5 19 -
7/8''-14 7/8''-14 25 37.0 41.5 22 -
1.1/16''-12 1.1/16''-12 25 42.0 46.5 27 20
1.5/16''-12 1.5/16''-12 170 49.0 59.0 33 25
1.5/8''-12 1.5/8''-12 140 52.5 67.5 41 -