Înapoi la Hidraflex > Adaptori hidraulici > METRIC > Legatura cot

Cot la 90° de legatura tip teava cu niplu si piulita sertizata filet METRIC | Stera Catalog

Printează

Caracteristici
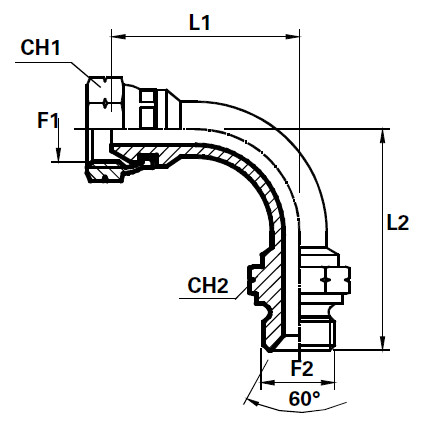
  • Conector 1 METRIC filet interior
  • Conector 2 METRIC filet exterior
  • Etansare 1 Con exterior 60°
  • Etansare 2 Con interior 60°
  • Finisare suprafata Electro-galvanizare
  • Forma constructiva Cot 90°
  • Material Otel
  • Tip Filet METRIC
Date tehnice
Cod Filet 1 Filet 2 PN (bar) L1 L2 SW1 SW2
M10x1 M10x1 350 29.0 33.0 15 14
M12x1.5 M12x1.5 300 35.0 33.0 17 17
M14x1.5 M14x1.5 300 28.0 30.0 19 19
M16x1.5 M16x1.5 250 39.0 48.0 22 22
M18x1.5 M18x1.5 250 41.0 48.0 24 24
M20x1.5 M20x1.5 200 44.5 61.5 27 27
M22x1.5 M22x1.5 200 44.5 61.5 27 27
M24x1.5 M24x1.5 200 54.0 69.0 30 30
M26x1.5 M26x1.5 200 55.5 77.0 32 32