Caracteristici
-
-
Forma constructiva
Drept
-
Gama presiune
Inalta
-
Material
Otel
-
Serie presiune
6000 psi
-
Set livrare
Cu set suruburi si O-Ring
-
Tip material
A105
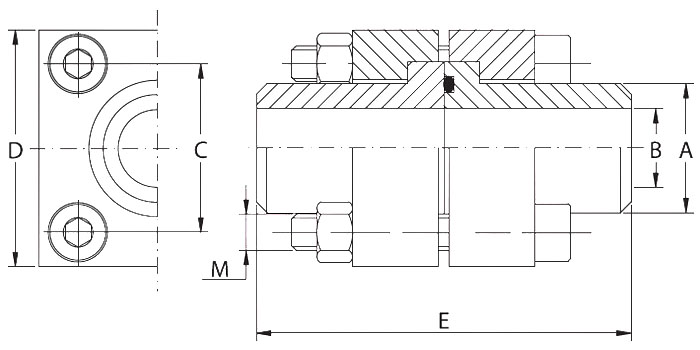
Detalii
|
Cod
|
Marime
|
DN
|
Interior teava
|
A
|
B
|
C
|
D
|
E
|
Surub
|
PN
|
Greutate
|
|
|
1.1/2 |
40 mm |
51 |
51 mm |
35 mm |
60,0 |
85 mm |
120 |
M14x90 |
400 PN |
3,76 |
|
|
1"1/4 |
32 mm |
44 |
44 mm |
29 mm |
51,6 |
75 mm |
110 |
M12x80 |
400 PN |
2,62 |
|
|
1/2" |
12 mm |
22 |
22 mm |
14 mm |
29,7 |
45 mm |
80 |
M8x50 |
400 PN |
0,63 |
|
|
1 |
25 mm |
35 |
35 mm |
22 mm |
43,8 |
65 mm |
100 |
M10x70 |
400 PN |
1,73 |
|
|
2"1/2 |
63 mm |
80 |
80 mm |
53 mm |
83,4 |
120 mm |
160 |
M20x110 |
400 PN |
10,50 |
|
|
2" |
50 mm |
61 |
61 mm |
43 mm |
69,4 |
100 mm |
140 |
M16x100 |
400 PN |
6,40 |
|
|
3"1/2 |
90 mm |
102 |
102 mm |
63 mm |
102,5 |
140 mm |
180 |
M20x130 |
400 PN |
16,70 |
|
|
3/4" |
20 mm |
28 |
28 mm |
18 mm |
35,3 |
50 mm |
90 |
M8x60 |
400 PN |
0,90 |
|
|
3/8" |
10 mm |
18 |
18 mm |
11 mm |
24,7 |
40 mm |
70 |
M6x45 |
400 PN |
0,47 |
|
|
3" |
75 mm |
90 |
90 mm |
58 mm |
102,5 |
140 mm |
180 |
M20x130 |
400 PN |
16,40 |
|
|
4" |
100 mm |
114 |
114 mm |
74 mm |
113,2 |
160 mm |
210 |
M24x160 |
400 PN |
25,00 |
×
❮
❯