Caracteristici
-
Conector 1
Filet METRIC exterior cilindric
-
Conector 2
Filet METRIC exterior cilindric
-
Etansare 1
Con interior 24°
-
Etansare 2
Etansare garnitura
-
Finisare suprafata
Galvanizare
-
Material
Otel
-
Set livrare
Corp (fara piulita si inel de taiere)
-
Standard
DIN 2353/ISO 8434-1
-
Tip Filet
METRIC
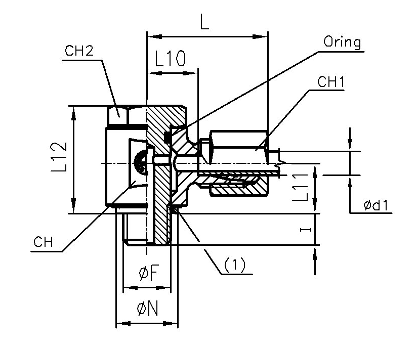
Date tehnice
|
Cod
|
CH
|
DN (mm)
|
Filet
|
PN (bar)
|
I
|
L
|
L10
|
L11
|
L12
|
SW1
|
SW2
|
Diametru teava
|
ØD1
|
ØN
|
|
|
22 |
6 |
M12x1.5 |
400 |
12 |
33 |
16.5 |
15 |
30.5 |
17 |
19 |
6 |
6 |
18 |
|
|
22 |
8 |
M14x1.5 |
400 |
12 |
32.5 |
16.5 |
15 |
30.5 |
19 |
19 |
8 |
8 |
19 |
|
|
30 |
10 |
M16x1.5 |
400 |
12 |
38 |
20 |
19 |
38.5 |
22 |
24 |
10 |
10 |
22 |
|
|
30 |
12 |
M18x1.5 |
400 |
12 |
38 |
20 |
18 |
37.5 |
24 |
24 |
12 |
12 |
24 |
|
|
36 |
14 |
M20x1.5 |
400 |
14 |
42.5 |
23.5 |
23 |
48 |
27 |
27 |
14 |
14 |
27 |
|
|
36 |
16 |
M22x1.5 |
400 |
14 |
43 |
23 |
23 |
48 |
30 |
27 |
16 |
16 |
27 |
|
|
41 |
20 |
M27x2 |
400 |
16 |
51.5 |
27 |
26 |
56 |
36 |
32 |
20 |
20 |
33 |
|
|
50 |
25 |
M33x2 |
250 |
18 |
58 |
31 |
32 |
69.5 |
46 |
41 |
25 |
25 |
40 |
|
|
60 |
30 |
M42x2 |
250 |
20 |
66 |
36.5 |
37 |
80.5 |
50 |
50 |
30 |
30 |
50 |
|
|
70 |
38 |
M48x2 |
250 |
22 |
75.5 |
42.5 |
43.5 |
93 |
60 |
55 |
38 |
38 |
56 |
×
❮
❯