Caracteristici
-
Conector 1
Filet METRIC exterior cilindric
-
Conector 2
Filet BSPP exterior cilindric
-
Etansare 1
Con interior 24°
-
Finisare suprafata
Galvanizare
-
Material
Otel
-
Set livrare
Corp (fara piulita si inel de taiere)
-
Standard
DIN 2353/ISO 8434-1
-
Tip Filet
BSPP
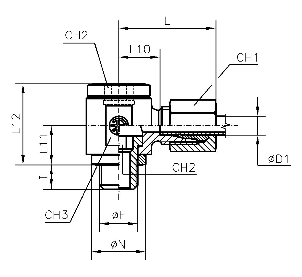
Date tehnice
|
Cod
|
DN (mm)
|
Filet
|
PN (bar)
|
I
|
L
|
L10
|
L11
|
L12
|
SW1
|
SW2
|
CH3
|
Diametru teava
|
ØD1
|
ØN
|
|
|
6 |
1/8''-28 |
160 |
8 |
27 |
12.5 |
12 |
24 |
14 |
6 |
19 |
6 |
6 |
14 |
|
|
8 |
1/4''-19 |
160 |
12 |
29 |
14.5 |
16 |
30 |
17 |
8 |
22 |
8 |
8 |
18 |
|
|
10 |
1/4''-19 |
100 |
12 |
30 |
15.5 |
16 |
30 |
19 |
8 |
22 |
10 |
10 |
18 |
|
|
12 |
3/8''-19 |
100 |
12 |
33 |
18 |
18 |
37 |
22 |
10 |
27 |
12 |
12 |
22 |
|
|
15 |
1/2''-14 |
100 |
14 |
37 |
22 |
21 |
42 |
27 |
12 |
32 |
15 |
15 |
26 |
|
|
18 |
1/2''-14 |
100 |
14 |
38 |
21.5 |
23 |
46 |
32 |
12 |
36 |
18 |
18 |
26 |
|
|
22 |
3/4''-14 |
100 |
16 |
45 |
28.5 |
28 |
58 |
36 |
17 |
46 |
22 |
22 |
32 |
|
|
28 |
1''-11 |
100 |
18 |
48 |
31.5 |
32 |
64 |
41 |
22 |
50 |
28 |
28 |
39 |
|
|
35 |
1.1/4''-11 |
60 |
20 |
57 |
35.5 |
37 |
76 |
50 |
27 |
60 |
35 |
35 |
49 |
|
|
42 |
1.1/2''-11 |
60 |
22 |
63 |
40 |
42 |
85 |
60 |
32 |
70 |
42 |
42 |
55 |
×
❮
❯