Caracteristici
-
Conector 1
Filet METRIC exterior cilindric
-
Conector 2
Filet METRIC exterior cilindric
-
Etansare 1
Con interior 24°
-
Finisare suprafata
Galvanizare
-
Material
Otel
-
Set livrare
Corp (fara piulita si inel de taiere)
-
Standard
DIN 2353/ISO 8434-1
-
Tip Filet
METRIC
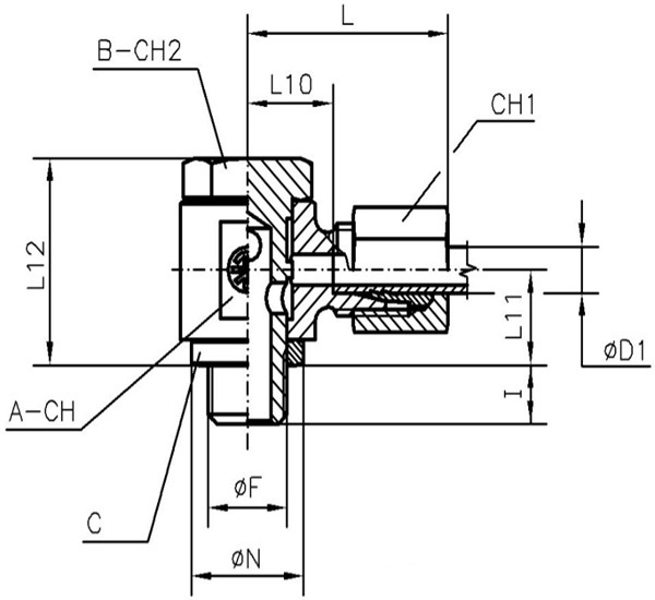
Date tehnice
|
Cod
|
CH
|
DN (mm)
|
Filet
|
PN (bar)
|
I
|
L
|
L10
|
L11
|
L12
|
SW1
|
SW2
|
Diametru teava
|
ØD1
|
ØN
|
|
|
14 |
4 |
M8x1 |
100 |
6 |
21 |
13 |
10 |
21.5 |
10 |
14 |
4 |
4 |
12.5 |
|
|
14 |
5 |
M8x1 |
100 |
6 |
22 |
11.5 |
10 |
21.5 |
12 |
14 |
5 |
5 |
14.5 |
|
|
14 |
6 |
M10x1 |
100 |
6 |
22 |
11.5 |
10 |
21.5 |
12 |
14 |
6 |
6 |
14.5 |
|
|
14 |
8 |
M10x1 |
100 |
6 |
23 |
12.5 |
10 |
21.5 |
14 |
14 |
8 |
8 |
14.5 |
|
|
14 |
6 |
M10x1 |
250 |
6 |
25 |
11 |
10 |
21.5 |
14 |
14 |
6 |
6 |
14.5 |
|
|
19 |
8 |
M12x1.5 |
250 |
9 |
27 |
14 |
13 |
27.5 |
17 |
19 |
8 |
8 |
18.5 |
|
|
19 |
10 |
M14x1.5 |
250 |
9 |
27 |
13.5 |
13 |
27.5 |
19 |
19 |
10 |
10 |
18.5 |
|
|
22 |
12 |
M16x1.5 |
250 |
9 |
30 |
16 |
16 |
34 |
22 |
22 |
12 |
12 |
21.5 |
|
|
24 |
15 |
M18x1.5 |
250 |
9 |
32 |
17 |
17 |
37 |
27 |
24 |
15 |
15 |
23.5 |
|
|
30 |
18 |
M22x1.5 |
160 |
11 |
35 |
19.5 |
21 |
44 |
32 |
27 |
18 |
18 |
27 |
|
|
36 |
22 |
M26x1.5 |
160 |
13 |
40 |
25.5 |
23 |
48 |
36 |
32 |
22 |
22 |
32 |
×
❮
❯