Caracteristici
-
Conector 1
Filet METRIC exterior cilindric
-
Conector 2
Filet BSPT exterior
-
Etansare 1
Con interior 24°
-
Etansare 2
Etansare pe filet
-
Finisare suprafata
Galvanizare
-
Material
Otel
-
Set livrare
Corp (fara piulita si inel de taiere)
-
Standard
DIN 2353/ISO 8434-1
-
Tip Filet
BSPT
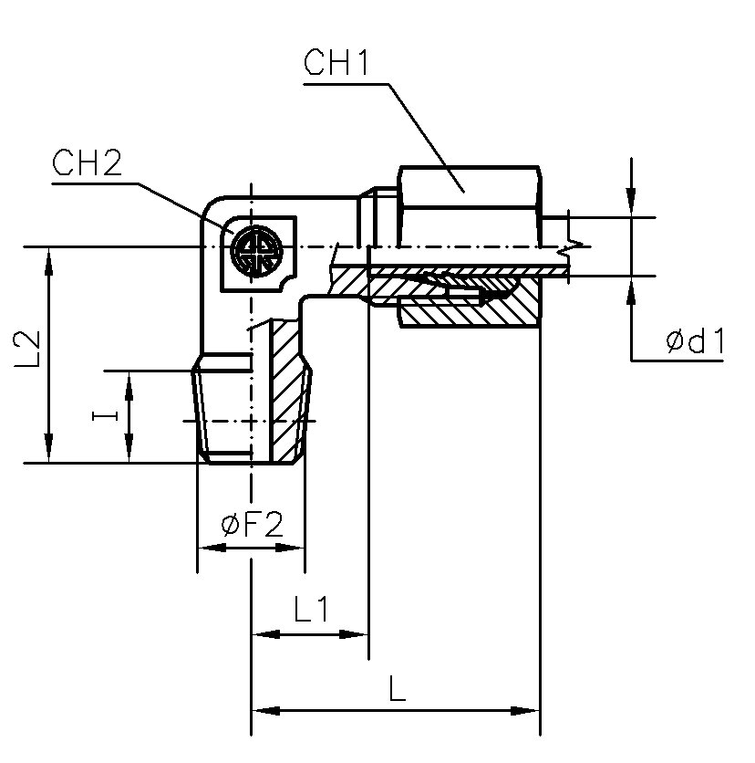
Date tehnice
|
Cod
|
DN (mm)
|
Filet 2
|
I
|
L
|
L1
|
L2
|
SW1
|
SW2
|
Diametru teava
|
ØD1
|
|
|
4 |
1/8''-28 |
8 |
21 |
11 |
17 |
10 |
9 |
4 |
4 |
|
|
5 |
1/8''-28 |
8 |
21 |
9.5 |
17 |
12 |
9 |
5 |
5 |
|
|
6 |
1/8''-28 |
8 |
21 |
9.5 |
17 |
12 |
9 |
6 |
6 |
|
|
8 |
1/8''-28 |
8 |
23 |
11.5 |
20 |
14 |
12 |
8 |
8 |
|
|
10 |
1/4''-19 |
12 |
27 |
15 |
25 |
17 |
14 |
10 |
10 |
|
|
12 |
1/4''-19 |
12 |
25 |
13 |
23 |
19 |
17 |
12 |
12 |
|
|
6 |
1/8''-28 |
8 |
27 |
12 |
20 |
14 |
12 |
6 |
6 |
|
|
6 |
1/4''-19 |
12 |
29 |
14 |
26 |
14 |
12 |
6 |
6 |
|
|
8 |
1/4''-19 |
12 |
29 |
14 |
26 |
17 |
12 |
8 |
8 |
|
|
8 |
1/8''-28 |
8 |
29 |
14 |
26 |
17 |
12 |
8 |
8 |
|
|
8 |
3/8''-19 |
12 |
32 |
17 |
28 |
17 |
17 |
8 |
8 |
|
|
10 |
1/4''-19 |
12 |
30 |
15 |
27 |
19 |
14 |
10 |
10 |
|
|
10 |
3/8''-19 |
12 |
32 |
17 |
28 |
19 |
17 |
10 |
10 |
|
|
10 |
1/2''-14 |
14 |
36 |
21 |
34 |
19 |
19 |
10 |
10 |
|
|
12 |
1/4''-19 |
12 |
32 |
17 |
28 |
22 |
17 |
12 |
12 |
|
|
12 |
3/8''-19 |
12 |
32 |
17 |
28 |
22 |
17 |
12 |
12 |
|
|
12 |
1/2''-14 |
14 |
36 |
21 |
34 |
22 |
19 |
12 |
12 |
|
|
15 |
3/8''-19 |
12 |
36 |
21 |
34 |
27 |
19 |
15 |
15 |
|
|
15 |
1/2''-14 |
14 |
36 |
21 |
34 |
27 |
19 |
15 |
15 |
|
|
18 |
1/2''-14 |
14 |
40 |
32.5 |
36 |
32 |
24 |
18 |
18 |
|
|
22 |
3/4''-14 |
16 |
44 |
27.5 |
42 |
36 |
27 |
22 |
22 |
|
|
28 |
1''-11 |
18 |
47 |
30.5 |
48 |
41 |
36 |
28 |
28 |
|
|
35 |
1.1/4''-11 |
20 |
56 |
34.5 |
54 |
50 |
41 |
35 |
35 |
|
|
42 |
1.1/2''-11 |
22 |
63 |
40 |
61 |
60 |
50 |
42 |
42 |
×
❮
❯