Caracteristici
-
Conector 1
Filet METRIC exterior cilindric
-
Conector 2
Filet NPT exterior
-
Etansare 1
Con interior 24°
-
Etansare 2
Etansare pe filet
-
Finisare suprafata
Galvanizare
-
Material
Otel
-
Set livrare
Corp (fara piulita si inel de taiere)
-
Standard
DIN 2353/ISO 8434-1
-
Tip Filet
NPT
Detalii
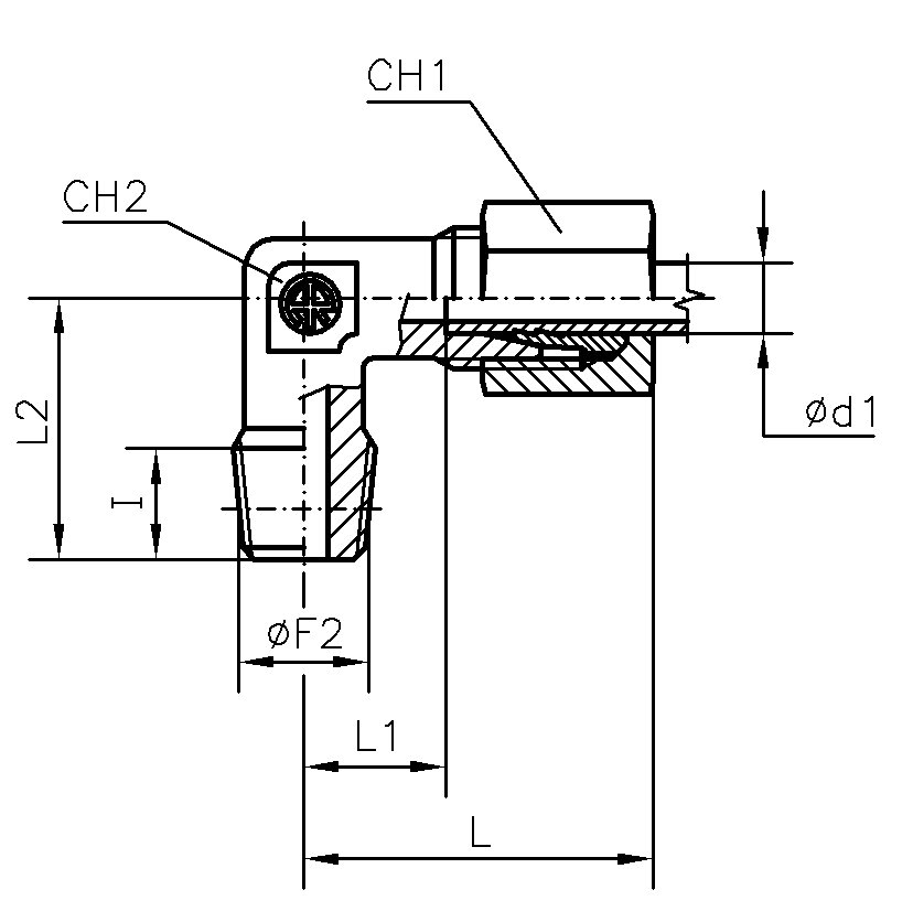
|
Cod
|
Diametru teava
|
Ød1
|
F2
|
CH1
|
CH2
|
I
|
L
|
L1
|
L2
|
|
|
6 mm |
6 |
1/4''-18 inch |
17 |
12 |
12 |
31 mm |
16 |
26 |
|
|
8 mm |
8 |
1/4''-18 inch |
19 |
14 |
12 |
32 mm |
17 |
27 |
|
|
10 mm |
10 |
3/8''-18 inch |
22 |
17 |
12 |
34 mm |
17.5 |
28 |
|
|
12 mm |
12 |
3/8''-18 inch |
24 |
17 |
12 |
38 mm |
21.5 |
31 |
|
|
14 mm |
14 |
1/2''-14 inch |
27 |
19 |
14 |
40 mm |
22 |
32 |
|
|
16 mm |
16 |
1/2''-14 inch |
30 |
24 |
14 |
43 mm |
24.5 |
32 |
|
|
20 mm |
20 |
3/4''-14 inch |
36 |
27 |
16 |
48 mm |
26.5 |
42 |
|
|
25 mm |
25 |
1''-11.5 inch |
46 |
36 |
18 |
54 mm |
30 |
48 |
|
|
30 mm |
30 |
1.1/4''-11.5 inch |
50 |
41 |
20 |
62 mm |
35.5 |
54 |
|
|
38 mm |
38 |
1.1/2''-11.5 inch |
60 |
50 |
22 |
72 mm |
41 |
61 |
×
❮
❯