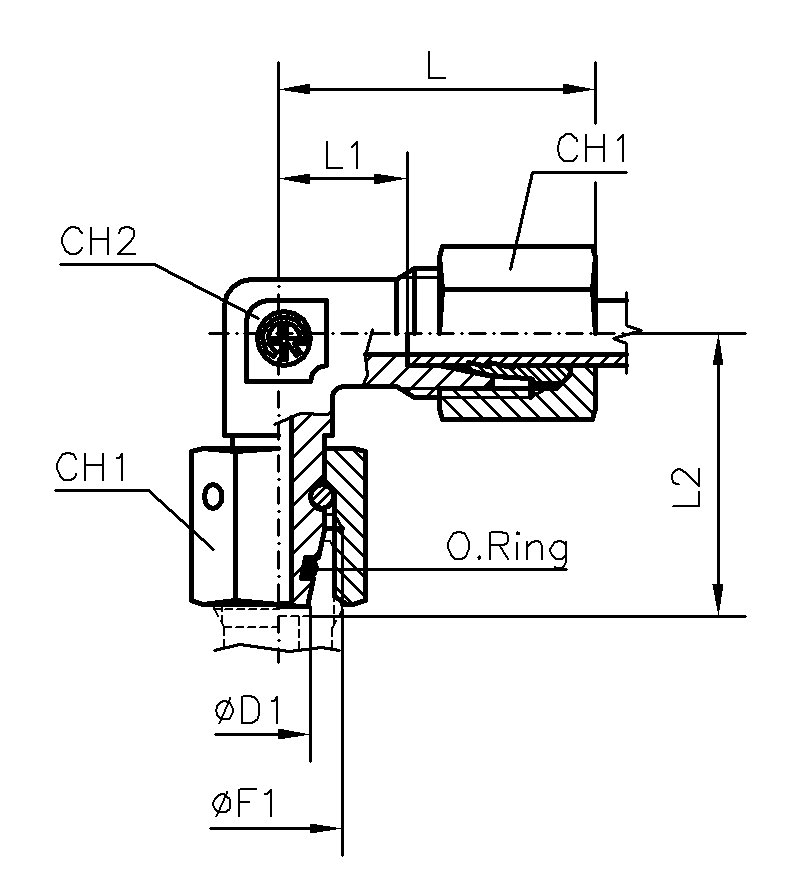
Caracteristici
-
Conector 1
Filet METRIC piulita
-
Conector 2
Filet METRIC exterior cilindric
-
Etansare 1
Con exterior 24° cu O-Ring
-
Etansare 2
Con interior 24°
-
Finisare suprafata
Galvanizare
-
Material
Otel
-
Set livrare
Corp (fara piulita si inel de taiere)
-
Standard
DIN 2353/ISO 8434-1
-
Tip Filet
METRIC
Date tehnice
|
Cod
|
DN (mm)
|
Filet 1
|
PN (bar)
|
L
|
L1
|
L2
|
O-ring
|
SW1
|
SW2
|
Diametru teava
|
ØD1
|
|
|
6 |
M12x1.5 |
315 |
27 |
12 |
26 |
4x1.5 |
14 |
12 |
6 |
6 |
|
|
8 |
M14x1.5 |
315 |
29 |
14 |
27.5 |
6x1.5 |
17 |
12 |
8 |
8 |
|
|
10 |
M16x1.5 |
315 |
30 |
15 |
29 |
7.5x1.5 |
19 |
14 |
10 |
10 |
|
|
12 |
M18x1.5 |
315 |
32 |
17 |
29.5 |
9x1.5 |
22 |
17 |
12 |
12 |
|
|
15 |
M22x1.5 |
315 |
36 |
21 |
32.5 |
12x2 |
27 |
19 |
15 |
15 |
|
|
18 |
M26x1.5 |
315 |
40 |
23.5 |
35.5 |
15x2 |
32 |
24 |
18 |
18 |
|
|
22 |
M30x2 |
160 |
44 |
27.5 |
38.5 |
20x2 |
36 |
27 |
22 |
22 |
|
|
28 |
M36x2 |
160 |
47 |
30.5 |
41.5 |
26x2 |
41 |
36 |
28 |
28 |
|
|
35 |
M45x2 |
160 |
56 |
34.5 |
51 |
32x2.5 |
50 |
41 |
35 |
35 |
|
|
42 |
M52x2 |
160 |
63 |
40 |
56 |
38x2.5 |
60 |
50 |
42 |
42 |
×
❮
❯