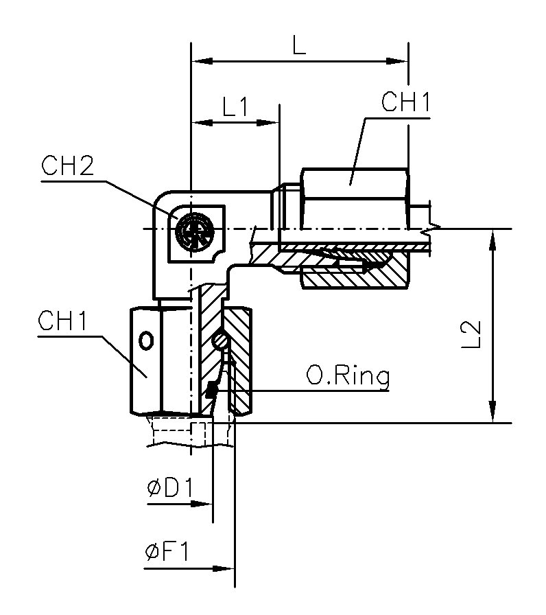
Caracteristici
-
Conector 1
Filet METRIC piulita
-
Conector 2
Filet METRIC exterior cilindric
-
Etansare 1
Con exterior 24° cu O-Ring
-
Etansare 2
Con interior 24°
-
Finisare suprafata
Galvanizare
-
Material
Otel
-
Set livrare
Corp (fara piulita si inel de taiere)
-
Standard
DIN 2353/ISO 8434-1
-
Tip Filet
METRIC
Date tehnice
|
Cod
|
DN (mm)
|
Filet 1
|
PN (bar)
|
L
|
L1
|
L2
|
O-ring
|
SW1
|
SW2
|
Diametru teava
|
ØD1
|
|
|
6 |
M14x1.5 |
630 |
31 |
16 |
27 |
4x1.5 |
17 |
12 |
6 |
6 |
|
|
8 |
M16x1.5 |
630 |
32 |
17 |
27.5 |
6x1.5 |
19 |
14 |
8 |
8 |
|
|
10 |
M18x1.5 |
630 |
34 |
17.5 |
30 |
7.5x1.5 |
22 |
17 |
10 |
10 |
|
|
12 |
M20x1.5 |
630 |
38 |
21.5 |
31 |
9x1.5 |
24 |
17 |
12 |
12 |
|
|
14 |
M22x1.5 |
630 |
40 |
22 |
35 |
10x2 |
27 |
19 |
14 |
14 |
|
|
16 |
M24x1.5 |
400 |
43 |
24.5 |
36.5 |
12x2 |
30 |
24 |
16 |
16 |
|
|
20 |
M30x2 |
400 |
48 |
26.5 |
44.5 |
16.3x2.4 |
36 |
27 |
20 |
20 |
|
|
25 |
M36x2 |
400 |
54 |
30 |
50 |
20.3x2.4 |
46 |
36 |
25 |
25 |
|
|
30 |
M42x2 |
400 |
62 |
35.5 |
55 |
25.3x2.4 |
50 |
41 |
30 |
30 |
|
|
38 |
M52x2 |
315 |
72 |
41 |
63 |
33.3x2.4 |
60 |
50 |
38 |
38 |
×
❮
❯