Caracteristici
-
Aplicatii
Linii hidraulice
-
Material
Poliamida
-
Serie presiune
Standard
-
Suprafata interioara
Gofrat grupa 1-7, canelat grupa 8-9
-
Temperatura maxima (
+120
-
Temperatura minima (
-40
-
Tip constructiv
Pentru o singura teava
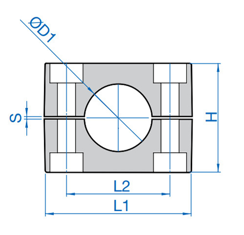
Date tehnice
|
Cod
|
DN (mm)
|
DI (mm)
|
Latime
|
H
|
L1
|
L2
|
S
|
Diametru teava
|
Grupa
|
ØD1
|
|
|
6 |
6.4 |
30 |
27 |
28 |
9.5 |
0.6 |
6.4 |
1 |
6.4 |
|
|
6 |
6 |
30 |
27 |
28 |
9.5 |
0.6 |
6 |
1 |
6 |
|
|
8 |
8 |
30 |
27 |
28 |
9.5 |
0.6 |
8 |
1 |
8 |
|
|
9 |
9.5 |
30 |
27 |
28 |
9.5 |
0.6 |
9.5 |
1 |
9.5 |
|
|
10 |
10 |
30 |
27 |
28 |
9.5 |
0.6 |
10 |
1 |
10 |
|
|
12 |
12 |
30 |
27 |
28 |
9.5 |
0.6 |
12 |
1 |
12 |
|
|
13 |
12.7 |
30 |
27 |
37 |
20 |
0.6 |
12.7 |
2 |
12.7 |
|
|
14 |
13.5 |
30 |
33 |
42 |
26 |
0.8 |
13.5 |
3 |
13.5 |
|
|
14 |
14 |
30 |
33 |
42 |
26 |
0.8 |
14 |
3 |
14 |
|
|
15 |
15 |
30 |
33 |
42 |
26 |
0.8 |
15 |
3 |
15 |
|
|
16 |
16 |
30 |
33 |
42 |
26 |
0.8 |
16 |
3 |
16 |
|
|
17 |
17.2 |
30 |
33 |
42 |
26 |
0.8 |
17.2 |
3 |
17.2 |
|
|
18 |
18 |
30 |
33 |
42 |
26 |
0.8 |
18 |
3 |
18 |
|
|
19 |
19 |
30 |
36 |
50 |
33 |
0.8 |
19 |
4 |
19 |
|
|
20 |
20 |
30 |
36 |
50 |
33 |
0.8 |
20 |
4 |
20 |
|
|
21 |
21.3 |
30 |
36 |
50 |
33 |
0.8 |
21.3 |
4 |
21.3 |
|
|
22 |
22 |
30 |
36 |
50 |
33 |
0.8 |
22 |
4 |
22 |
|
|
25 |
25 |
30 |
36 |
50 |
33 |
0.8 |
25 |
4 |
25 |
|
|
27 |
26.9 |
30 |
42 |
57 |
40 |
1 |
26.9 |
5 |
26.9 |
|
|
28 |
28 |
30 |
42 |
57 |
40 |
1 |
28 |
5 |
28 |
|
|
30 |
30 |
30 |
42 |
57 |
40 |
1 |
30 |
5 |
30 |
|
|
32 |
32 |
30 |
42 |
57 |
40 |
1 |
32 |
5 |
32 |
|
|
34 |
33.7 |
30 |
58 |
71 |
52 |
1.4 |
33.7 |
6 |
33.7 |
|
|
35 |
35 |
30 |
58 |
71 |
52 |
1.4 |
35 |
6 |
35 |
|
|
38 |
38 |
30 |
58 |
71 |
52 |
1.4 |
38 |
6 |
38 |
|
|
40 |
40 |
30 |
58 |
71 |
52 |
1.4 |
40 |
6 |
40 |
|
|
42 |
42.4 |
30 |
58 |
71 |
52 |
1.4 |
42.4 |
6 |
42.4 |
|
|
44 |
44.5 |
30 |
66 |
86 |
66 |
1.4 |
44.5 |
7 |
44.5 |
|
|
48 |
48.3 |
30 |
66 |
86 |
66 |
1.4 |
48.3 |
7 |
48.3 |
|
|
51 |
50.8 |
30 |
66 |
86 |
66 |
1.4 |
50.8 |
7 |
50.8 |
|
|
57 |
57.2 |
30 |
93 |
121 |
94 |
2 |
57.2 |
8 |
57.2 |
|
|
60 |
60.3 |
30 |
93 |
121 |
94 |
2 |
60.3 |
8 |
60.3 |
|
|
63 |
63.5 |
30 |
93 |
121 |
94 |
2 |
63.5 |
8 |
63.5 |
|
|
70 |
70 |
30 |
93 |
121 |
94 |
2 |
70 |
8 |
70 |
|
|
73 |
73 |
30 |
93 |
121 |
94 |
2 |
73 |
8 |
73 |
|
|
76 |
76.1 |
30 |
93 |
121 |
94 |
2 |
76.1 |
8 |
76.1 |
|
|
90 |
88.9 |
30 |
118 |
147 |
120 |
3 |
88.9 |
9 |
88.9 |
|
|
102 |
102 |
30 |
118 |
147 |
120 |
3 |
102 |
9 |
102 |
×
❮
❯